DengenKun-Jr -使いやすさにこだわったオリジナル電源ユニット-
DengenKun-Jrはクリーン電源の供給だけでなく、設置から使用まで高い利便性を提供する電源ブレーカーボックスです。放送局やスタジオ、ライブ会場の他、コンピュータ機器用など様々な分野で利用されています。本製品は累計納入実績3,000台以上を誇る従来品のDK-2030/3030シリーズを、さらに使いやすくリニューアルいたしました。
設備用 DK-2030-S/3030-S

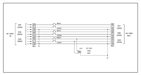
- DK-2030は100V/20Aブレーカーを3系統装備し、1台で最大100V/60Aの電源を供給可能
- DK-3030は100V/30Aブレーカーを3系統装備し、1台で最大100V/90Aの電源を供給可能
- フロントパネルに3系統のメインブレーカースイッチ
- フロントパネルにサービスコンセントを装備(CH3のブレーカーアウト)AC100/15A迄の機器が接続できます
- 入力、出力の端子台ネジはM4
- RoHS対応 PSEマーク表示
- サイズ 482Wx44Hx200D㎜
- 重量 2.9㎏
DK-2030-S/3030-S 回路図

